重庆科威-极度危险油浸式变压器爆燃
2022-09-09 科威
为何汽轮机支持轴承温度保护动作值高于支持轴承5℃?-北京科威
谐振,谐振过电压是什么?-贵阳科威
2022-09-08 科威
科威重庆-二次消谐装置能够保护PT,消除电网谐振过电压?
全厂仪用压缩空气压力低处理措施-科威北京
北京科威-变电站故障录波原理及文件分析
2022-09-07 科威
江西科威-变压器低压进线柜常见连接方式
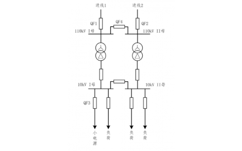
重庆科威-小电源接入对备自投的影响
2022-09-06 科威